Load Cell Dealers

(2 products available)
  • Premium
    Load Cell Kit

    Load Cell Kit

    Get Price Quote

    Placed in Bhubaneswar(India), we are an entity acknowledged for our superior products and matchless services. Our products are formed under the supervisor of experienced quality control managers utilizing only premium materials and the latest technologies.   Features: 1,67,0000 internal counts and up to 1,30,000 external/usable counts. Ultra high speed with speed control option. Low batery management with brown out detection. 50 to 100 hour batery backup. Moisture free design. Mobile signal interference protection. Litre and counting mode function. Inbuilt power supply and batery charging. All branded components. High quality double sided pcb.
    ...more
    www
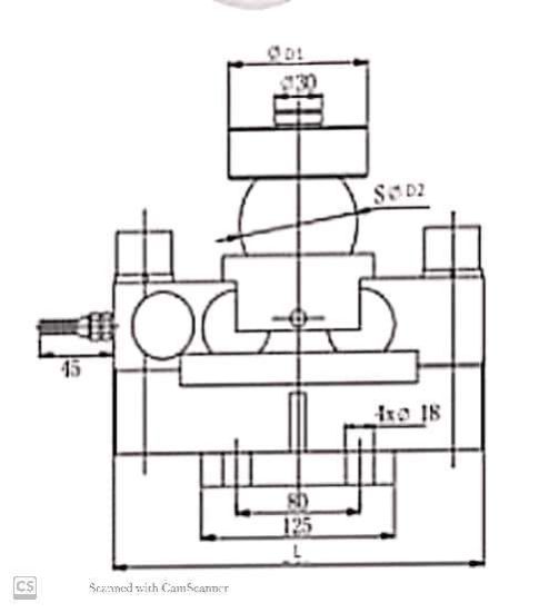
  • Cup Ball Type Load Cell +1

    Cup Ball Type Load Cell

    18,000 - 25,000 / Piece

    • MOQ1 Piece(s)
    • Number Of FlowerLoad Sensors
    • MaterialSS
    • ApplicationTruck WeighBridge
    • ConditionNew
    • Total Carbohydrate1year
    • Country of OriginIndia
    • Rated capacities (Emax)30, 40t
    • Sensitivity2.0±0.002mV/V
    • Accuracy classC1
    • Zero balance±1%F.S
    • TCO±0.02% F.S/10°C
    • TC SPAN±0.02% F.S/10°C
    • Input impedance750±10Ω
    • Output impedance702±3Ω, 703±5Ω
    • Insulation impedance≧5000MΩ
    • Temperature range, compensated-10°C
    • Temperature range, operating-30
    • Maximum safe overload150, 120(40
    • Ultimate overload300, 200(40
    • Excitation, recommend10
    • Excitation, maximum15V DC
    • Protection classIP68(10
    • ConstructionAlloy Steel, Stainless Steel
    • CableLength - L-12/16m(30t), 16m(40
    • Digital Load cell is a late-new electric weighing technology combined with modern microelectronics Tech & microcomputer Tech, based on the strain gauge load cells. It includes analog load cell and digital convert module; Digital module is made up of high compositive IC circuit with SMT surface-stick technology, mainly including amplifier, A/D converter, controller (CPU), memorizer, interface circuit and digital temperature load cell etc.
    ...more
Filter by Locality
top